
LXP1-404/W行程开关引进德国西门子公司产品,该开关符合VDE0660和IEC出版物337-1。它具有造型美观,耐用、动作灵敏、防护性能好,品种繁多,适用范围广等特点是机械行业更新换代最理想产品,具有九十年代国际先进水平的行程开关。
该系列行程开关分为开启式和防护式两大类。开启式分为二极和三极两种,二极开启式从触桥型式上分为瞬动、蠕动、蠕动单桥及蠕动交叉四型、三极开启式只有蠕动型,防护式分为二极、三极和四极三种。触头分为一常开一常闭、一常开二常闭、二常开一常闭和二常开二常闭,具体情况请看“开关触头组成”。
该系列行程开关适用于交流40~ 60Hz,交流电压到500v直流电压至600V、电流至10安的控制电路中,将机械信号转变为电气信号,用来控制运动机械的行程及速度或作程序控制之用。


5.1使用环境温度:-40℃至+85℃;
5.2额定绝缘电压:Ui=交流500V;直流600V;
5.3最大工作电压:Ue=500V同极性:
5.4额定发热电流:Ith-lOA
5.5额定工作电流:Ie见下表
5.6机械寿命:30xl04次:
5.7电寿命:Ie=lA/AC-ll.5x10次:Ie=0.5A/AC-11,10 x106次:
5.8推杆上测量重复动作精度:0.02毫米:
5.9防护外壳出线孔:M20x1.5;
5.10触头连接导线的能力:单股2x25平方毫米:多股(带线头)2x1.5平方毫米。
| 交流AC | 直流DC | ||
| 电压V | 电流A | 电压V | 电流A |
| 220 | 10 | 110 | 1 |
| 380 | 6 | 220 | 0.4 |
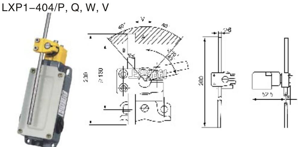
产品名称:LXP1-404/W行程开关
型号:LXP1-404-W
声明:适用交流AC 380V,直流 DC 220V。本页LXP1-404/W行程开关的接线图、外形尺寸及文字等信息仅供参考用,如有改动不另行通知。订购前请来电咨询,我们有专业人士为您选型。 另外可根据客户要求,订制非标产品及欧姆龙、天得等国内外知名品牌的替代型产品,欢迎来电订购,电话021-31261887。
地址:http://www.dqm.cc/LXP1-404-W-139.html